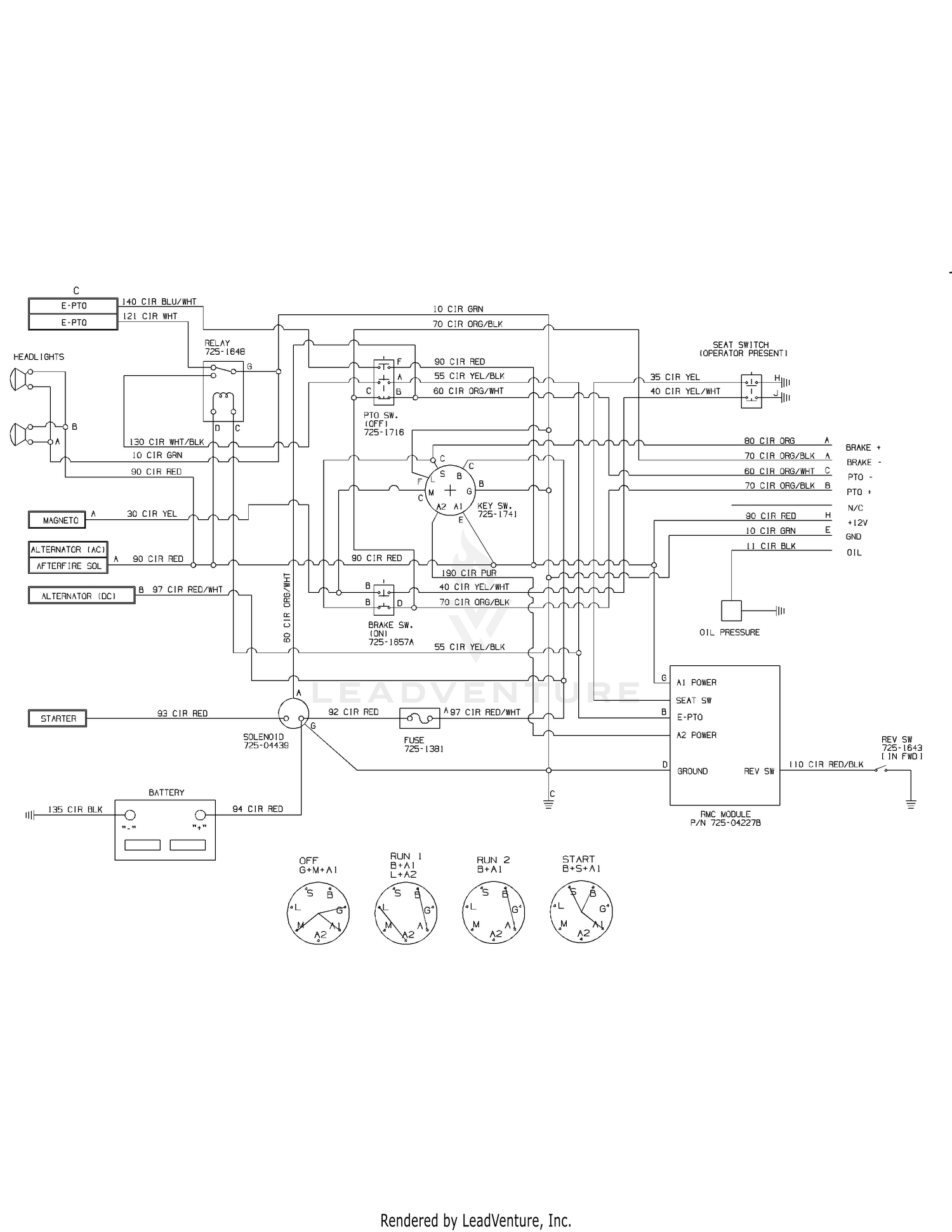
43 cub cadet zero turn wiring diagram
Oct 12, 2018 · If you have a Cub Cadet RZT50 zero turn mower that you're working on, doing maintenance or repair, you will find our exploded view parts diagrams very helpful. Request the wiring diagram from Cub Cadet. Posted on May 11, The saftey wires wont cause it to slow schematron.org more of a fuel. Displaying Electrical Schematic parts for the Cub Cadet RZT50 (17AI2ACP, 17AI2ACP, 17WI2ACP, 17WI2ACP) - Cub Cadet RZT 50" Zero-Turn. Wiring Diagram.. machine by Cub Cadet. Read, understand and follow .. Oct 13, 2018 · Displaying Electrical Schematic parts for the Cub Cadet RZT50 (17AI2ACP, 17AI2ACP, 17WI2ACP, 17WI2ACP) - Cub Cadet RZT 50" Zero-Turn. Wiring Diagram. . machine by Cub Cadet. Read, understand and follow .. Engine: 20HP Kohler Courage Pro (44”) & 23HP Kohler Courage Pro (50”). Type: . Cub Cadet RZT 50 Manual Online: Specifications, Wiring Diagram 45, Wiring Diagram (with 12 V - 13 A Charging Coil).
Page Cub Cadet RZT 50 Manual Online: Specifications, Wiring Diagram 45, Wiring Diagram (with 12 V - 13 A Lawn Mower Cub Cadet RZT54 Operator's Manual.Displaying Wiring Schematic parts for the Cub Cadet RZT-L54KH (17ARCACA, 17ARCACA, 17ARCACA) - Cub Cadet RZT-L 54" Zero-Turn Mower, Kohler Browse all parts by section for this model Search by part ...
Cub cadet zero turn wiring diagram
Jul 31, 2017 · Electrical wiring diagrams may be found in the Operator's Manual. More in-depth electrical troubleshooting information may also be found in the Professional Shop Manual for the product. For electrical diagrams for specific engines and independent brands, see below. Please use the following links to contact the engine manufacturers via their web ... May 21, 2012 · Cub Cadet Zero Turn Rzt 42 17ae2acg603 2009 Wiring Diagram Spareparts. Cub Cadet Z Force L60 2018 17asdald009 17bsdald010 Wiring Schematic. Cub Cadet Zero Turn Proz 100 54 53awefja330 2018 Wiring Diagram Spareparts. No Voltage To Ignition Switch Looking For Electrical Diagram Of Cub Cadet Slt 1550 2006 Battery Is Fine There A. Dec 10, 2018 · Wiring Diagram For Cub Cadet Zero Turn – Wiring Diagrams Hubs – Cub Cadet Rzt 50 Wiring Diagram. Wiring diagram also offers useful ideas for projects that might need some added tools. This guide even consists of suggestions for additional provides that you might require as a way to end your projects.
Cub cadet zero turn wiring diagram. Here you find the spare parts for Cub Cadet Wiring diagram 17AF2ACP330 (2013) and you can ... Cub Cadet Zero Turn RZT 50 17AF2ACP330 (2013) Wiring diagram ... Here you find the spare parts for Cub Cadet Wiring diagram 17AF9BKP330 (2013) and you can ... Cub Cadet Zero Turn i 1050 17AF9BKP330 (2013) Wiring diagram ... Here you find the spare parts for Cub Cadet Wiring diagram 53AWEFJA330 (2016) and you ... Cub Cadet Zero Turn ProZ 100-54 53AWEFJA330 (2016) Wiring diagram ... Here you find the spare parts for Cub Cadet Wiring diagram 17AIDGHB010 (2014) and ... Cub Cadet Zero Turn Z-Force SZ 48 17AIDGHB010 (2014) Wiring diagram ...
Cub Cadet Zero-Turn Commercial Riding Mower Manual Online: Wiring Diagram. 28... Here you find the spare parts for Cub Cadet Wiring diagram 17BICBDS603 (2016) and you can ... Cub Cadet Zero Turn RZT S 42 17BICBDS603 (2016) Wiring diagram ... Here you find the spare parts for Cub Cadet Wiring diagram 17AE2ACG603 (2009) and you can ... Cub Cadet Zero Turn RZT 42 17AE2ACG603 (2009) Wiring diagram ... Dec 10, 2018 · Wiring Diagram For Cub Cadet Zero Turn – Wiring Diagrams Hubs – Cub Cadet Rzt 50 Wiring Diagram. Wiring diagram also offers useful ideas for projects that might need some added tools. This guide even consists of suggestions for additional provides that you might require as a way to end your projects.
May 21, 2012 · Cub Cadet Zero Turn Rzt 42 17ae2acg603 2009 Wiring Diagram Spareparts. Cub Cadet Z Force L60 2018 17asdald009 17bsdald010 Wiring Schematic. Cub Cadet Zero Turn Proz 100 54 53awefja330 2018 Wiring Diagram Spareparts. No Voltage To Ignition Switch Looking For Electrical Diagram Of Cub Cadet Slt 1550 2006 Battery Is Fine There A. Jul 31, 2017 · Electrical wiring diagrams may be found in the Operator's Manual. More in-depth electrical troubleshooting information may also be found in the Professional Shop Manual for the product. For electrical diagrams for specific engines and independent brands, see below. Please use the following links to contact the engine manufacturers via their web ...
Cub Cadet Sltx1054 Tractor 13wk 2011 13wk92ak009 2011 13wk92ak010 2011 13wk92ak056 2011 Wiring Diagram

Have Cub Cadet Z Force S With Electric Clutch Question Is There Are Two Wires From Clutch Does The Black Wire From

Basic Wiring Diagram For All Garden Tractors Using A Stator And Battery Ignition System Isavetractors

Cub Cadet Z Force L60 17asdald009 Cub Cadet 60 Z Force Zero Turn Mower 2015 Wiring Schematic Parts Lookup With Diagrams Partstree

Cub Cadet Ltx1046 Tractor 2009 13ap91at010 Wiring Schematic Ltx1046 Amp Ltx1050 Shank 39 S Lawn Cub Cadet

Cub Cadet Z Force Sz54 17aidghc010 Cub Cadet 54 Z Force S Zero Turn Mower Kawasaki 2014 Wiring Schematic Parts Lookup With Diagrams Partstree

Cub Cadet Rzt 42 17ae2acg010 Cub Cadet 42 Rzt Zero Turn Mower Kohler 2010 Electrical Schematic Parts Lookup With Diagrams Partstree

Cub Cadet Rzt S46 17wrcbdt010 Cub Cadet 46 Rzt Zero Turn Mower 2014 Wiring Schematic Parts Lookup With Diagrams Partstree

Cub Cadet Original Equipment 46 In Mulching Kit With Blades For Lawn Tractors And Zero Turn Mowers 2010 And After 19b30005100 The Home Depot

Cub Cadet Ltx1042 Tractor 2009 13ax91ar010 Wiring Schematic Ltx1042 Amp Ltx1045 Shank 39 S Lawn Cub Cadet

Cub Cadet Rzt L46 17afcact010 Cub Cadet 46 Rzt Zero Turn Mower 2013 Wiring Schematic Parts Lookup With Diagrams Partstree
Comments
Post a Comment