42 22 hp predator engine wiring diagram
Predator 22 Hp Wiring Diagram - Free Catalogs A to Z 9 hours ago 22 Hp Predator Engine Wiring Diagram Source: i2.wp.com READ Wiring Diagram For Intertherm Electric Furnace For Your Needs Predator 212 Electric Start Wiring Diagram - icocem. 1 hours ago Predator 22 hp wiring diagram. This kit will not work with engine item # 60363 (the. Predator engine issues! | Arborist, Chainsaw & Tree Work Forum Predator engine issues! Thread starter dave_dj1. Start date Feb 28, 2017. Had the same happen on a brand new engine on a rental splitter put a new engine on it, fired up second pull pulled it 3 miles and was flooded beyond running, hadn't shut fuel off before towing, I guess they bounce so much the fuel...
Parts Lists And Diagrams - Predator Engines... | ManualsLib Predator Engines PREDATOR 212 Manual Online: Parts Lists And Diagrams. 68120 212cc Parts List Part Description 1 Gasket, Cylinder Head 2 Cover Asm., Cylinder Head 3 Gasket, Cylinder Head Cover 4 Tube, Breather 5 Bolt 6 Stud 7 Stud 8 Stud 9 Pin 10 Bolt, Cylinder Head 11 Plug, Spark 12...

22 hp predator engine wiring diagram
22 Hp Predator Engine Wiring Diagram Collection Print the cabling diagram off in addition to use highlighters to be able to trace the circuit. I printing the schematic plus highlight the signal I'm diagnosing in order to make sure I'm staying on the particular path. 22 Hp Predator Engine Wiring Diagram Source: . 22 Hp Predator Engine Wiring Diagram - Wiring Diagram Source Predator engines wiring diagram new era of wiring diagram deere x585 garden tractor fuel pump failure it appears predator engine wiring diagram predator engines 22 hp wiring diagram. Fortunately i have a 916 that is rougher than i realized when i bought it that is going to be my donor... Sovereign 7117 22hp Predator repower - Talking... - Simple trACtors Edit: Predator 22hp Information. I picked up the Harbor Freight Predator 670cc, 22hp engine for $559.99 after the 20% off coupon. I chose to purchase the 2 yr replacement plan on it just in case and since I know they will honor it in store with no questions asked.
22 hp predator engine wiring diagram. PDF Engine-mercruiser | wiring diagrams WIRING DIAGRAMS. 559. II. . f. I I. Engine-mercruiser 110,120 and 150 with ammeter and transistor regulator. Sh,ft Inter-lack Swtch. 1. Engine-mercruiser 22s with electromechanical regulator and indicator light. s1AR1iNc MDTOR w1n WTEDRU. Predator Engine 69733 | PDF | Gasoline | Motor Oil Predator engine 69733 - Free download as PDF File (.pdf), Text File (.txt) or read online for free. Write the products serial number in the back of the manual near the assembly diagram (or 22. Keep the equipment, engine, and surrounding area clean at all times. 23. Use the equipment, accessories... I would like to know how to wire up a 22hp predator engine I am in the begining stages of installing a Predator 22hp engine in its place. Mechanic's Assistant: Anything else we should know to help you best? What has to be done is take the old engine and the wiring plug, and with a pad and pencil, follow each wire color back to its source and purpose and... Predator engine??? Anyone on here ever used one of the Predator engines that Harbor Freight sells? Don't take wires off low oil switch this where a lot Tecumseh engine die. as till in third notch ground soften and Our Predator/Greyhound 6.5 HP HF engines are similar to the GX200 Honda engine and presumably...
welp... another 318 Predator Swap.. | My Tractor Forum Did you go with the 22hp vtwin? How do you like it? Good luck with finishing off your swap. What kind of drive shaft adapter did you use? Did you bolt the engine to the frame or sit it on spacers? Are you using the PTO? Predator 670 in 318. predator 22 hp engine manual - Bing Dec 15, 2020 · 22 Hp Predator Engine Wiring Diagram. Effectively read a wiring diagram, one provides to learn how the components within the system operate. For instance , in case a module is usually powered up and it also sends out the signal of half the voltage plus the technician will not... HONDA - Motorcycles Manual Pdf, Wiring Diagram & Fault Codes HONDA Motorcycle Manuals PDF & Wiring Diagrams. Honda C100 Owner Manual. The model is equipped with a 249 cc single-cylinder engine and is sold worldwide. Since 2013, the company has been working on the development of intermediate classes and has been producing models with 500cc... Caterpillar Shematics Electrical Wiring Diagram - Truck manual... Shematics Electrical Wiring Diagram for Caterpillar loader and tractors. Caterpillar 3412E Industrial Engine Shematics Electrical Wiring Diagram [PDF, ENG, 1.7 MB]. Jared (Tuesday, 21 December 2021 22:20). I am looking for a wiring schematic for a cat d3g blade.
Electrical Wiring Diagrams (Electrical Circuits, Electrical Schematic...) Electrical Wiring Diagrams. 9,14 Mb. Electrical wiring diagrams for Audi A6 C5/4B (Audi A6 II). 22. Language: russian. 22 Hp Predator Engine Wiring Diagram - Wiring Site Resource Predator 22 hp wiring diagram along with predator engines 22 hp wiring diagram moreover predator engines 22 hpv twin also with 22 hp Predator 212 engine pdf manual download. Predator engines 22 hp thanks for visiting our site this is images about predator engines 22 hp posted by... 34 22 Hp Predator Engine Wiring Diagram - Wiring Diagram... 40 hp predator 670cc performance engine build duration. Does anyone have the wiring diagram for a harbor freight predator cc engine. We found out that most people search 22 hp predator chis wiring diagram on search engines like bing. Harbor freight predator engine wire up on deere 235... Ford Wiring Diagrams Free Download | Carmanualshub.com Ford Wiring Diagrams. By Michael | December 14, 2018. 10 Comments. Hi I'm looking for an engine wiring diagram for a 2009 Ranger. Rodents chewed the harness. Charles Otto on Audi repair manual: "I am looking for a Audi A4 Manual" Feb 6, 22:51.
Caterpillar service manuals free download | Truckmanualshub.com Caterpillar engines, trucks and tractors PDF Workshop Manuals & Service Manuals, Wiring Diagrams, Parts Catalog. Caterpillar Shematics Electrical Wiring Diagram PDF Free Download.
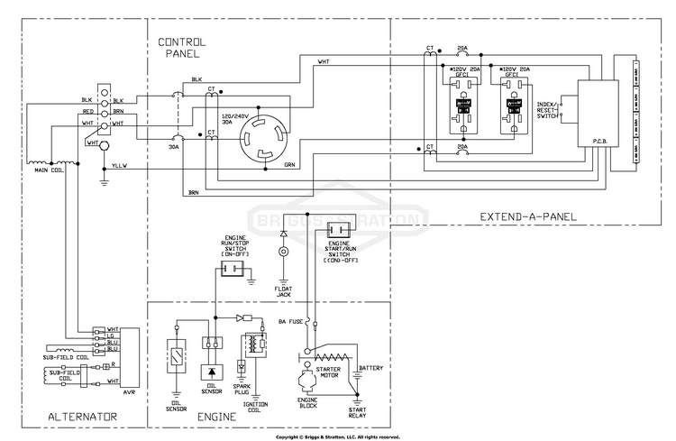
Where is my small engine wiring diagram? | Briggs & Stratton In addition to wiring diagrams, these guides also provide information on Alternator If you wish to perform any required small engine maintenance or repairs yourself, a good source for engine specifications and technical servicing information is a Briggs & Stratton® Engine Repair Manual.
Predator 420cc Engine Wiring Diagram | My Wiring DIagram honda gx390 wiring diagram inspirational modern predator 420cc wiring diagram adornment electrical diagram of honda gx390 wiring diagram 8c6c 1959 gm starter wiring diagram carburetor for 13hp predator 420cc engine best top 10 kart engine parts brands and free shipping kenmore...
Predator Engine Wiring Diagram Predator 22 Hp Wiring Diagram. Predator 212cc Build up engine . Wiring diagram for polaris2006 Polaris Sportsman 90 Wiring Diagram Predator For A â michaelhannan.co. Predator wiring diagrams â greybulllawfirm.com.
22 HP (670cc) V-Twin Horizontal Shaft Gas Engine, EPA Amazing deals on this 22Hp (670Cc) V-Twin Horiz Shaft Gas Engine at Harbor Freight. Quality tools & low prices. The powerful v-twin gas engine features a durable cast iron cylinder making it the perfect replacement engine for: Mowers, water pumps, high pressure washers and dozens of other machines.
Predator 212 Stage 4 Engine Build ~ 22HP Go Kart / Mini Bike Engine Today we are going to build a 22hp Predator 212 Non Hemi. This is a complete stage 4 kit from Go Power Sports. Check out the links below and don't forget to...
Electric PTO on 22 Hp Predator - Engines I have installed a WH electric PTO on 416 that now has a predator 22 hp engine. First, in review of other members pictures, there is a center bolt with washer thar that bolts to the engine shaft. I got a bolt that was long enough to reach the threaded shaft.
PREDATOR ENGINE WIRING DIAGRAM - Auto Electrical Wiring... Predator Engine Wiring Diagram | My Wiring DIagram Jan 21, 2020Predator Engine Wiring Diagram. and finally we upload it on our website. Predator Engine Wiring Diagram - Chanish Apr 16, 2019Predator 22 Hp Wiring Diagram. Predator 212cc Build up engine .
Predator 22 Hp Engine 22hp Predator Surface drive 10" prop. 1st boat to drive by is a 37efi mud buddy on 17'excel. The next boat is a 18' 37efi Gator-Tail ... This is a demo video showing installation of one of our reduction drive/propeller packages on the Predator 22 engine from Harbor ...
TOYOTA Wiring Diagrams PDF - Car PDF Manual, Wiring Diagram... Toyota Avensis Wiring Diagrams.pdf. Adobe Acrobat Document 22.3 MB. I have a 2000 Chevy Blazer S10 the VIN number is 1 GNC t18w4yk230490 may I please have the wiring diagram for the engine the harness and all to the engines fucked I need to get all the wires hooked up correctly the...
22 Hp Predator Engine | RU-clip Today we build the Predator 670cc v twin with upgraded Performance 670 performance parts to make this 670cc v twin engine ... Side by side comparison of the Harbor Freight Predator 22 hp, Briggs Vanguard 23 hp, and Kohler Command Pro 26.5 hp EFI.
Sovereign 7117 22hp Predator repower - Talking... - Simple trACtors Edit: Predator 22hp Information. I picked up the Harbor Freight Predator 670cc, 22hp engine for $559.99 after the 20% off coupon. I chose to purchase the 2 yr replacement plan on it just in case and since I know they will honor it in store with no questions asked.
22 Hp Predator Engine Wiring Diagram - Wiring Diagram Source Predator engines wiring diagram new era of wiring diagram deere x585 garden tractor fuel pump failure it appears predator engine wiring diagram predator engines 22 hp wiring diagram. Fortunately i have a 916 that is rougher than i realized when i bought it that is going to be my donor...
22 Hp Predator Engine Wiring Diagram Collection Print the cabling diagram off in addition to use highlighters to be able to trace the circuit. I printing the schematic plus highlight the signal I'm diagnosing in order to make sure I'm staying on the particular path. 22 Hp Predator Engine Wiring Diagram Source: .
Comments
Post a Comment