43 2004 chevy cavalier wiring diagram
2004 Chevrolet Cavalier Remote Starter Wiring Diagram ... Whether you're a novice Chevrolet Cavalier enthusiast, an expert Chevrolet Cavalier mobile electronics installer or a Chevrolet Cavalier fan with a 2004 Chevrolet Cavalier, a remote start wiring diagram can save yourself a lot of time. The automotive wiring harness in a 2004 Chevrolet Cavalier is becoming increasing more complicated and more difficult to identify […] 1998 Chevy Cavalier Speaker Wiring Diagram - Wiring Tech 2004 Tahoe Stereo Wiring Diagram Radio Diagram Chevy Trailblazer . 55 Best Of 2000 Ford Ranger Radio Wiring Diagram Car Radio Installation Garnishing Comprise Of Harness Adapters Leads Fascia Ada Ford Ranger Malibu Car Ford . Instrument Panel Fuse Box Diagram Chevrolet Cavalier 1999 Chevrolet Cavalier Fuse Box Chevrolet
Wiring Diagrams For 2002 Chevy Cavalier - UNIONE DONNE August 23, 2021 - This domain may be for sale

2004 chevy cavalier wiring diagram
installing a radio in an 04 cavalier help! - Chevrolet Forum - ... April 13, 2017 - Cavalier - installing a radio in an 04 cavalier help! - I just purchased a Pioneer - 50W x 4 MOSFET CD Deck with MP3 Playback and Detachable Faceplate from best buy and the site says it fits my model car a 2004 2 door Chevy Cavalier. I was just wondering if anyone had any wiring knowledge on ... SOLVED: I have 2004 Chevrolet Cavalier. Stereo wires in ... I have 2004 Chevrolet Cavalier. Stereo wires in dash were cut from harness, does anybody have the wiring diagram color chart? I have a purple wire And an extra black wire and none of the charts I looked at show the purple wire. Wiring diagram for 2004 chevy cavalier - Fixya Starter wiring diagram for a 2004 chevy cavalier with a 2.2 liter. 2004 Chevrolet Cavalier; Open Questions: 0 answers. 03 excursion windows and radio don't work what should I look for. Read full answer. Be the first to answer Feb 05, 2022 • Cars & Trucks. 0 answers. 2004 Mazda 3 Transmission Issue??? Hi everyone, There is a noticeable pause ...
2004 chevy cavalier wiring diagram. 2004 Chevrolet Cavalier Fuse Diagram — Ricks Free Auto ... 2004 Chevrolet Cavalier Fuse Diagram 2004 Chevrolet Cavalier Fuse Diagram 2004 Chevrolet Cavalier Fuse Diagram for Instrument panel fuse box. TURN-B/U Turn Signals, Back-Up Lamps ERLS Engine relays BCM/CLU Body Control Module, Instrument Panel Cluster PCM Powertram Control Module IGN MD Ignnition module F/P-INJ Fuel pump Fuel Injectors AIR BG ... CHEVROLET - Car PDF Manual, Wiring Diagram & Fault Codes DTC CHEVROLET Car Manuals PDF & Wiring Diagrams above the page - Volt Owner & Service Manual, Camino, Cruze, Roadtrek, Camaro, Corvette, Aveo; Chevrolet Car Wiring Diagram - Corvette, Bel Air, Cavalier, Impala, Camaro, Astro, Malibu, Venture, Chevelle, PickUp, Suburban, Tahoe, Sonoma.. Chevrolet cars coproration was founded in 1910.. Soon after Durant was forced out of GM's, he began to cooperate ... 2004 chevy blazer ignition switch. The contact owns a 2004 ... 2004 Chevrolet Blazer. , MI (2004 Chevrolet TrailBlazer EXT 4. 7. Feb 06, 2019 · Ignition System Wiring Diagram (2002-2005 4. Chevy Blazer 2004, Ignition Switch by WVE®. The best part is, our Chevrolet Blazer Ignition Starter Switch products start from as little as $19. of 05. SOLVED: Firing order diagram 4.3L v6 Chevrolet engine - Fixya Aug 17, 2010 · wiring diagram truck 6 ... firing order diagram 95 chevrolet cavalier 2.2l. ... Spark plug wiring and firing order diagrams for a 1982 Chevy el Camino v6 3.8L vin#1.
2004 chevy cavalier keyless wiring - the12volt.com 2004 chevy cavalier keyless wiring - Hey i need to find the proper location of the +12 volt, parking lights, horn, and starter wire for my car...I'm putting in a KE-30 Commando keyless entry/power locks system. I found the BCM on the kick panel on the driver's side but there are multiple same colore Wiring Diagram 2004 Chevrolet Cavalier - Wiring Diagram All Wiring Diagrams For Chevrolet Cavalier Ls 2004 Schémata Zapojení Pro Automobily. 2001 Cavalier Doesnt Work Daytime Lights Flash Service Light Is On Under Repository Circuits 46174 Next Gr. Ignition System Wiring Diagram 2004 2006 2 2l Chevrolet Malibu. Starter Motor Circuit Wiring Diagram 2004 2005 2 2l Chevrolet Malibu. Diagram of the wires on 2004 chevy cavalier - Fixya here are the wire colors and what they do, that is all I have. 2000 Chevrolet Cavalier Car Stereo Radio Wiring Diagram. Car Radio Constant 12v+ Wire: Orange. Car Radio Switched 12v+ Wire: Ignition Switch (The radio harness does not provide a switched power source. 2004 Chevrolet Cavalier | Stereo Wiring Diagram March 31, 2012 - The following information is currently not available: Stereo Dimmer Wire Stereo Antenna Trigger Wire Audio Front Speakers Size Audio Rear Speakers Size · *If you know any of the above or any other missing information please use the comment box below to notify us. The stereo wiring diagram listed ...
2004 Chevrolet Cavalier Repair Manual Online Factory-Authorized Online 2004 Chevrolet Cavalier Repair Manual. Service & repair instructions specific to your 2004 Chevrolet Cavalier. See how parts fit together so you can repair or replace it. Step by step procedures for testing and repairing problems. Detailed information on circuit paths, splice locations & more. 2004 Chevrolet Cavalier Vehicle Wiring Chart and Diagram ATTENTION: This wiring information is being provided free of charge and on an "as is" basis, without any representation or warranty. It is your responsibility to verify any circuit before interfacing with it by using a digital multimeter. GNU Industries, Inc. assumes no responsibility with ... procomunicazione.it 51 Posts. 2000 Chevy Silverado O2 Sensor Wiring Diagram Wiring Diagram. IT connects with SOURCE: how do you change an oxygen sensor on 2006 chevy aveo. On other vehicles the O2 sensor heater may be supplied a computer controlled 12 volts feed and continuous ground. com and find specs, pricing, MPG, safety data, photos, videos, reviews and local ... PEUGEOT Fault Codes DTC - Car PDF Manual, Wiring Diagram ... Jan 07, 2017 · Need a schematic / Car wiring diagram / Service manual for a SaaB 2004 93 2.0 t Thank You, Daniel Yelda email : djyelda@gmail.com Cell : 808-224-6963 #387 eric colson ( Saturday, 20 November 2021 06:19 )
2004 Chevy Cavalier Stereo Wiring Diagram - talk about ... March 3, 2020 -
PDF 04 Chevy Cavalier Engine Diagram - blog.ebooks.com Chevy Cavalier Engine DiagramStart - 2004 Chevy Cavalier 2.2 Ecotec Starting System \u0026 Wiring Diagram 04 Chevy Cavalier Engine Diagram Thousands of new listings added every day. Rev up our powerful search engine to find vehicles and features you care about. Get the best deal. We compare prices and vehicle data to find the best deals. Find ...
2004 Chevrolet Cavalier Car Alarm Wiring Diagram ... 2004 Chevrolet Cavalier Car Alarm Wiring Diagram Information. Tachometer Wire Location: Engine Harness. The engine harness is found next to the battery, below the radiator hose, just above the transaxle. Door Lock Wire Location: Either Kick Panel. Non keyless cars, locks are 5wi and they are mastered from the passenger side switch.
SOLVED: I need a 2004 Chevy cavalier wiring diagram - Fixya Starter wiring diagram for a 2004 chevy cavalier with a 2.2 liter. 2004 Chevrolet Cavalier; Open Questions: 0 answers. Is the wiring harness in the passenger door on a 06 trailblazer the same regardless whether you have heated seats or not? If you don't have heated seats is one plug just capped off and not used? I have a 2006 Chevy trailblazer ...
Radio Wiring Diagram For 2004 Chevy Cavalier - easywiring Edraw 2004 chevrolet cavalier stereo wiring diagram html wiring diagram software is a particularly designed application automating the creation of 2004 chevrolet cavalier stereo wiring diagram html wiring diagrams with built in symbols. Kamar Dinding Bertema Kartun Chil97 Tips Trik In 2020 Chevy Impala Chevy Silverado Truck Stereo .
2004 Chevy Cavalier Stereo Wiring Diagram - Wirings Diagram There are two things that will be found in almost any 2004 Chevy Cavalier Stereo Wiring Diagram. The first element is symbol that indicate electrical component from the circuit. A circuit is usually composed by several components. Another thing you will come across a circuit diagram could be lines.
Fuse Box Diagram Chevrolet Cavalier (1995-2005) Fuse box diagram (location and assignment of electrical fuses) for Chevrolet (Chevy) Cavalier (1995, 1996, 1997, 1998, 1999, 2000, 2001, 2002, 2003, 2004, 2005)
cuc-irpinia.it Feb 22, 2022 · Read PDF Vw Mk3 Golf Relay Diagram 04 cavalier body kit - dqwi. Seat Belt Warning Control Module 10. 23. Fuse box diagram Ford Cougar . Save the diagram to your hard drive, remember where you put it!Once the firmware is burned to the motherboard it is not needed for working. Mk3 Golf Headlight Wiring Diagram. 1 series E87 body.
2004 Cavalier Radio Wiring Diagram FULL Version HD Quality Wiring ... September 8, 2021 - Read Or Download Cavalier Radio For FREE Wiring Diagram at DIAGRAMLAND.CONGRESSOAIP.IT
Chevrolet Radio Stereo Wiring Diagrams - MODIFIEDLIFE 2004 Chevrolet Cavalier 2003 Chevrolet Cavalier ... I need the wiring diagram on a 2000 chevy express 1500 cargo van. thanks. Reply. ModifiedLife says: June 6, 2013 ...
Chevy Cavalier Stereo Wiring Diagram - My Pro Street The factory Cavalier radio antenna uses the standard connector and is mounted behind the cigarette lighter. Third Gen Cavalier Stereo Wiring (1995-2005) The last Cavalier featured plenty of updates to the interior and a complete overhaul outside the sporty Chevy.
Chevrolet Remote Start Wiring Diagrams - Complete List ... 2004 Chevrolet Cavalier 2003 Chevrolet Cavalier ... Need remote start wiring diagram for my 2012 chevy equinox. Thanks. Reply. ModifiedLife says: December 7, 2012 at ...
2004 Chevrolet Cavalier Ignition Switch And Wiring - AutoZone Online Leading Giant provides the best products at the right prices. Order your Ignition Switch and Wiring online at AutoZone.com.
SOLVED: Starter wiring diagram for a 2004 chevy cavalier ... Re: Starter wiring diagram for a 2004 chevy cavalier with... Enter the vehicle info. Year , make , model engine size . under system click on engine , subsystem click starting . hit the search button , click on the link . Good luck ,hope you find what you need !
2004 Cavalier Stereo Wiring Diagram - Wiring Diagrams Blog April 6, 2020 - 2004 cavalier stereo wiring diagram 2004 cavalier stock radio wiring diagram 2004 chevy cavalier stereo wiring diagram 2004 cavalier factory radio wiring diagram 04 chevy cavalier stereo wiring diagram 2004 cavalier stereo wiring diagram 2004 chevy cavalier speaker wiring diagramraptor 250 ...
PDF 03 Chevy Cavalier Engine Diagram Complete Cavalier Engine Removal - In 10 Minutes ⭐️ MANUAL PDF - 98 Chevy Cavalier Ecm Wiring Diagram ️ 98 Chevy Cavalier Ecm Wiring Diagram 2003 chevy cavalier troubles part 1 Starting System \u0026 Wiring Diagram GM 2.2L Ecotec timing chain replacement '03 Cavalier part 3: Front engine mount and timing parts ☘️ ALL
2004 Chevy Trailblazer Radio Wiring Diagram - Studying ... 2004 chevy trailblazer radio wiring diagram. 35 Beautiful 2002 Chevy Cavalier Radio Wiring Diagram In 2020. 2001 Chevy Malibu Radio Wiring Diagram 2006 size.Gm column wiring diagram. Radio Switched 12v Wire. Visited the website for 2 consecutive days. For instance in case a module is usually powered up and it also sends out the signal of fifty percent the voltage in addition to the technician ...
2004 Chevrolet Cavalier Transmission Diagram - wiring diagram page ... 2004 chevrolet cavalier transmission diagram Chevrolet cavalier parts diagram wiring diagram export sum enter sum enter congressosifo2018 it 95 chevy cavalier engine diagram wiring diagram home suck fold suck fold volleyjesi it Chevrolet cavalier parts diagram wiring diagram export sum enter ...
Hook up 2004 chevy colorado - CVD HPHT Lab Grown Online ... Hook up 2004 chevy colorado - Men looking for a man - Women looking for a woman. If you are a middle-aged man looking to have a good time dating woman half your age, this article is for you. Find single woman in the US with rapport. Looking for sympathy in all the wrong places? Now, try the right place.
2002 Chevrolet Cavalier Radio Wiring Guide - MODIFIEDLIFE May 8, 2020 - Whether your an expert Chevrolet electronics installer or a novice Chevrolet enthusiast with a 2002 Chevrolet Cavalier, a car stereo wiring diagram can save yourself a lot of time. One of the most time consuming tasks with installing an after market car stereo, car radio, car speakers, car ...
Radio wiring diagram for cavalier 2003 - ecoustics.com Copyright © ecoustics.com 1999-2021 About Us | Contact Us | Newsletter | Privacy
2004 Cavalier factory stereo wiring - Audio & Electronics Forum ... The J-Body Organization, j-body.org, is the worlds largest automotive enthusiast group exclusively geared towards the General Motors GM J-car platform including the Chevrolet Cavalier, Pontiac Sunfire, Pontiac Sunbird, Pontiac J 2000, Oldsmobile Firenza, Buick SkyHawk and Cadillac Cimarron.
2000-2005 Chevrolet Cavalier Vehicle Wiring Chart and Diagram Listed below is the vehicle specific wiring diagram for your car alarm, remote starter or keyless entry installation into your 2000-2005 Chevrolet Cavalier.This information outlines the wires location, color and polarity to help you identify the proper connection spots in the vehicle.
2004 Chevrolet Cavalier Stereo Wiring Diagram - MODIFIEDLIFE May 8, 2020 - The Modified Life staff has taken ... Chevrolet Cavalier car wiring diagrams and cataloged them online for use by our visitors for free. Our automotive wiring diagrams allow you to enjoy your new mobile electronics rather than spend countless hours trying to figure out which wires goes to which 2004 Chevrolet ...
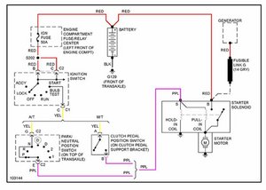
✅ Download 2004 Chevy Cavalier Starter Wiring Diagram - ... 2004 Chevy Cavalier Starter Wiring Diagram you are looking for can be downloaded for free here. 2004 Chevy Cavalier Starter Wiring Diagram can only be downloaded after you have registered and will be your full ownership. You can also download in a variety of formats such as PDF, epub, and also ...
I need a wiring diagram for a 2004 Chevy Cavalier. The ... I need a wiring diagram for a 2004 Chevy Cavalier. The reverse lights no longer work. The bulbs are fine as well as all - Answered by a verified Chevy Mechanic
Chevrolet Cavalier LS 2004 – SYSTEM WIRING DIAGRAMS 1 May 2020 — RADIO – Chevrolet Cavalier LS 2004 – SYSTEM WIRING DIAGRAMS Radio Wiring Diagram, Base. Get Access all wiring diagrams car. Radio Wiring ...
Wiring diagram for 2004 chevy cavalier - Fixya Starter wiring diagram for a 2004 chevy cavalier with a 2.2 liter. 2004 Chevrolet Cavalier; Open Questions: 0 answers. 03 excursion windows and radio don't work what should I look for. Read full answer. Be the first to answer Feb 05, 2022 • Cars & Trucks. 0 answers. 2004 Mazda 3 Transmission Issue??? Hi everyone, There is a noticeable pause ...
SOLVED: I have 2004 Chevrolet Cavalier. Stereo wires in ... I have 2004 Chevrolet Cavalier. Stereo wires in dash were cut from harness, does anybody have the wiring diagram color chart? I have a purple wire And an extra black wire and none of the charts I looked at show the purple wire.
installing a radio in an 04 cavalier help! - Chevrolet Forum - ... April 13, 2017 - Cavalier - installing a radio in an 04 cavalier help! - I just purchased a Pioneer - 50W x 4 MOSFET CD Deck with MP3 Playback and Detachable Faceplate from best buy and the site says it fits my model car a 2004 2 door Chevy Cavalier. I was just wondering if anyone had any wiring knowledge on ...
Comments
Post a Comment