42 club car rear end diagram
Front Suspension Parts (Upper/Lower All Parts) Club Car Doing front end golf cart repairs means that you'll need access to a number of excellent club car golf cart parts for your Model DS, Precedent Electric, or gasoline golf cart. Blockbuster Golf Cars, Inc., offers golf cart suspension parts, front hubs with bearings, front wheel seals, and lug bolts, as well as spindle dust covers, and eccentric adjustment screws for your needs. Club Car Diagrams - Golf Cart Replacement Parts Club Car 48 Volt Series Wiring Diagram . Club Car 48 Volt PowerDrive Plus W/Multi Step Potentiometer Wiring Diagram: Electrical System: ... Leaf Spring Bushing Kit Front & Rear OEM Club Car Model DS 1976 & Up. Bushing Upper & Lower Delta A-Plate Blue Urethane Club Car Model DS 1993 & Up.
Club Car Parts Manuals - Cart Mart Club Car Parts Manuals. 1976-1980 (Caroche) 1981-84 DS (Electric) 1984-1985 DS Golf Car (Electric Vehicles) 1985-91 DS (Gas) 1988-91 Carryall (Gas) 1992 Carryall 1-2. 1992 DS. 1993 Carryall 1-2.

Club car rear end diagram
Car Diagram Club End Rear [DY9LUN] Car Diagram Club End Rear [DY9LUN] Each of the four battery wire posts are marked A1, A2, S1, S2. Club car electric golf cart wiring diagrams, golf cart repair and troubleshooting diagrams. Here is what the service manual for that specific year says:" Brake Shoes Removal 1. Club Car You Have No Items in Your Shopping Cart. Clear Cart. Employee/Distributor Login Club Car Electric Diagrams - Cartaholics Golf Cart Forum Club Car Front Suspension Diagram. 0.00 star(s) 0 ratings Updated Apr 7, 2017. Resource icon. Club Car Rear Axle Removal. HotRodCarts; Apr 7, 2017; Removing a Rear Axles From a Club Car Golf Cart. 0.00 star(s) 0 ratings Updated Apr 7, 2017. Resource icon. Electric Golf Cart Solenoid Resistor and Diode Values.
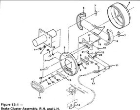
Club car rear end diagram. 1984-1991 Club Car DS Gas - GolfCartPartsDirect Browse our online catalog to find the parts you need for your 1984-1991 Club Car Gas Golf Cart. Click on the image or link to view a full diagram and order parts. Accelerator Pedal Assy. Air Cleaner Bag Attach. Kit - 2 Pass. Bag Attachment Kit Body Assembly Brake Cluster Brake Pedal and Assy. Canopy - 2 Passenger Canopy - 4 Pass. Differential/Transmission & Rear Axles for Club Car Golf Carts Your differential transmits torque to the Club Car wheels and allows them to turn at different speeds. While the transmission uses internal oil pressure to change gears and efficiently transmit engine power to the driveshaft and rear axle. We carry everything you need, from golf car seals and gaskets to gear sets and shifter cables. Club Car Replacement Suspension Parts - Buggies Unlimited Front Suspension Rear Suspension Front and Rear Shocks Front and Rear Leaf Springs 1981-Up Club Car DS - Heavy-Duty Rear Spring (1) $82.99 More Information 2004-Up Club Car Precedent - Reliance Rear Spring Bushing Kit (6) $7.49 More Information 1981-Up Club Car DS - Reliance Leaf Spring Bushing Kit (36) $7.99 More Information Club Car DS Body Parts & Precedent Body Parts Club Car body kits are excellent add-ons if you're placing an order for other Club Car accessories. With your imagination and our top-quality products, you can transform your golf cart to maximize the fun and functionality . If you need assistance selecting Club Car DS body parts or body kits, call us at 1-800-401-2934.
1998-1999 Club Car DS Gas or Electric - GolfCartPartsDirect 1998-1999 Club Car DS Gas or Electric. 1998-1999 Club Car DS Gas or Electric. Browse our online catalog to find the parts you need for your 1998 Club Car Gas or Electric. Performance Gears for Club Car Golf Carts, Low Speed ... Golf Car Catalog offers various performance gear sets for a variety of Club Car golf cart and utility vehicles models. For some models, they are available with a 15:1 gear ratio (provides low end torque), 8:1 (medium speed) and 6:1 (high speed). Club Car | World's Best Golf Carts and Utility Vehicles Villager 6. Mobile Merchandising options. Whether taking the kids to the pool, running an errand, or traversing rough terrain, our line of personal transportation, utility, and street-legal vehicles and golf carts deliver in style and performance. Learn more about: Personal. Front Suspension parts for Club Car Golf Carts | Carts ... 6915 CLUB CAR DS FRONT END REPAIR KIT (93-UP) $146.95 $105.81 DELTA A PLATE SUB ASM for Club CAR-DS 1993 and newer 17-044 DELTA A PLATE SUB ASM for Club CAR-DS 1993 and newer $70.95 $51.09 12-005 RELIANCE Leaf Spring Spring Bushing Set (2 Bushings&1 Sleeve) 12-005 RELIANCE Leaf Spring Spring Bushing Set (2 Bushings&1 Sleeve) $12.95 $9.33
Club Car Rear Axle and Differential Parts from Performance ... Outer Rear Axle Bearing for Club Car DS/Precedent -1984-Up - #6205ZZ. MSRP: $27.95 $23.95. Add to Cart. Club Car DS -97-up and Precedent -04-11 Gas -Passenger Side Rear Axle. MSRP: $604.95 $375.95. Out Of Stock. Club Car DS and Precedent Gas 97-Up -Drivers Side Rear Axle. MSRP ... Club Car Golf Cart Suspension Parts | GolfCartGarage.com Need to replace the parts to any shocks, springs or suspension parts on your Club Car golf cart? We've got brand new replacement parts for all Club Car golf carts | Golf Cart Garage. ... RELIANCE Club Car DS Rear Leaf Spring Bushing Kit. SKU: 12-005. $18.95 $15.95. Add to Cart. Madjax Lift Kits - Illustrated Part Diagrams Product Diagrams; Madjax Lift Kits. 16-001 - 6" A-Arm Lift Kit for Club Car Precedent . 16-008 - 4" A-Arm Lift Kit for Yamaha Drive . 16-010 - 3.5" A-Arm Lift Kit for Club Car Precedent . 16-013 - Lo-Pro Lift Kit for Club Car Precedent . 16-014 - Lo-Pro Lift Kit for Club Car DS . 16-015 - 6" A-Arm Lift Kit for E-Z-GO RXV . 16-016 - 6" A-Arm ... I need to change the rear axle - rear end oil I found info on this at the following site. "Club Cart golf carts need the rear axle / rear end oil changed periodically. Here is how you do it. 1: Take your golf cart out for a spin for about 15 minutes to warm up the oil for faster draining. 2: Park your golf cart on a level surface.
club-car noise from rear - YouTube 1998 club car with noise in the rear. **turns out it was the motor. there is a bearing in the front of the motor that supports the shaft. it was worn out.
Rear Axles & Differential - Vintage Golf Cart Parts Inc. Club Car Rear Axles & Differential. 111 River Road, Unit A & B Sequim, Washington 98382 United States. 360-385-4868
Amazon.com: club car carryall parts 10L0L Club Car DS Shocks & Precedent Shocks ,Golf Cart Front and Rear Shock Absorbers for Club Car DS G&E 1988-up,Precedent G&E 2004-up,OEM 1014235 ,1014236 ,1010991, 1015813, 1013164. 4.5 out of 5 stars. 128. $86.99.
Club Car Golf Cart Model Identification Guide - Cart Parts ... How do identify my Club Car Golf Cart? Serial Number Location. Pre-1981: Serial numbers on Club Car golf carts manufactured before 1981 will be located by raising the seat and locating the aluminum I-Beam frame section closest to the batteries on the driver's side of the cart *. *If unable to find a serial number plate (it has been removed) it can be confirmed to be manufactured between 1975 ...
Golf Cart Club Car DS Axle Assembly Installation Video ... Golf Cart Club Car DS Axle Assembly Installation Videohttps://
Rear Axles - Vintage Golf Cart Parts Inc. Left Drivers Side Rear Axle for 1985 to 1996 Club Car Electric model DS +++ Also 1986 to 1996 Gas with Kawasaki rear differential, with splines +++ 15-7/16" long with 12splines. Part Number: AX44-010. Our Price: $323.50. BE11-260 - Bearing, Crankcase, Axle, Wheel, & Motor. Crankcase Bearing for 1963 to 1981 Harley Davidson +++ 1983 and newer ...
SOLVED: looking for a diagram for Club Car Golf Cart rear ... Mike, you did forget to mention which Club Car it is. The brake diagram I posted is for 86-93 model DS. Of course I am certain it will also describe others. Here is what the service manual for that specific year says:" Brake Shoes Removal 1. Loosen the brake cable at the equalizer and turn the... - Golf Cart
Rear End, Axles & Parts for Club Car Golf Carts. Axels ... 3829 Input shaft bearing. For Club Car gas 2000-up DS 3829 Input shaft bearing. For Club Car gas 2000-up DS $29.95 $23.47 4836 AXLE BUSHING CLUB CAR 4836 AXLE BUSHING CLUB CAR $43.95 $31.65 5783 AXLE- L.H. CLUB CAR 1997-UP 5783 AXLE- L.H. CLUB CAR 1997-UP $609.97 $439.19 Axle assy (DS) CC 07-up Prec
Club Car DS Wiring Diagrams 1981 To 2002 - Golf Cart Tips Typical Diagram For Club Car DS Gas 1984-85 Older Version There was a small change in the Limit Switch Wiring for later models of the same year. Typical Diagram For Club Car DS Gas 1984-85 Club Car DS 1986-1990 Gas Model Wiring Diagram Typical Diagram For Club Car DS Gas 1986-90 Club Car DS 1991 - 1997 Gas Model Wiring Diagram
Amazon.com: club car suspension parts Huskey Club Car DS Front and Rear End Repair Kit for 1984-2008 Models, Includes 1X Pair of King Pin Kit, 3X Tie Rod Ends, Control Arm Bushing Kit & Front & Rear Spring Bushing Kits. $105.95 $ 105. 95. Get it as soon as Sat, Mar 26. FREE Shipping.
Club Car Gas Diagrams - Cartaholics Golf Cart Forum Dec 4, 2017. 2001 Club Car DS Gas Golf Cart Wiring Diagram - Turf 1 - Carryall 1 - Villager 4. 5.00 star (s)
Club Car Electric Diagrams - Cartaholics Golf Cart Forum Club Car Front Suspension Diagram. 0.00 star(s) 0 ratings Updated Apr 7, 2017. Resource icon. Club Car Rear Axle Removal. HotRodCarts; Apr 7, 2017; Removing a Rear Axles From a Club Car Golf Cart. 0.00 star(s) 0 ratings Updated Apr 7, 2017. Resource icon. Electric Golf Cart Solenoid Resistor and Diode Values.
Club Car You Have No Items in Your Shopping Cart. Clear Cart. Employee/Distributor Login
Car Diagram Club End Rear [DY9LUN] Car Diagram Club End Rear [DY9LUN] Each of the four battery wire posts are marked A1, A2, S1, S2. Club car electric golf cart wiring diagrams, golf cart repair and troubleshooting diagrams. Here is what the service manual for that specific year says:" Brake Shoes Removal 1.
Comments
Post a Comment