Skip to main content

42 toyota power window switch wiring diagram

PDF 1990 Toyota Cressida Electrical Wiring Diagrams Celica)-Part 2 Coil Induction \u0026 Wiring Diagrams Toyota 1UZ-FE: Everything You Want to Know | Specs and More 4 Stroke Engine Working Animation Toyota Power Windows System Demo How to test a Toyota ignition igniter #1421 1990 Toyota Cressida: A Gentleman's Drifter How To Determine If You Have A Bad Ignition Coil. 2001 F150 Power Window Wiring Diagram - ECTQAQA Ford f150 power window wiring diagram. Power Window Wiring Diagram ford F150 wiring diagram is a simplified suitable pictorial representation of an electrical circuit. Or does anyone know which of the five wires to jump to check if the motor is bad. 1984 Chevy Truck Wire. US Cars wiring diagram schemas. 2006 ford f150 power window wiring diagram.

2015 Toyota Corolla - 3/4 windows suddenly stopped working ... I figured a Toyota dealership would be better equipped to suss out electrical problems in a Toyota, but I also suspect they'll try to screw me over like every other time and tell me I need 3 new window regulators and 3 new sets of window switches, and a new A/C condenser and another new door speaker, when the problem is obviously something like ...

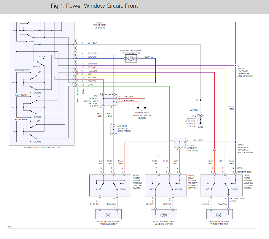
Toyota power window switch wiring diagram

Toyota power window switch wiring diagram

Power Window Motor Vs Relay Connection: Swapped 2007 ... Thank you for the detailed insight. Follow up question, to clarify. I swapped all the wiring harness from 07 into the 10. To match all of the connectors and door panel to body harness. Everything works, locks, lamps, speakers except for the power window. The 10 has the 6pin on the door, while the 07 has the two wire/pin. 2002 Toyota Camry Window Fuse - fuse box diagram toyota ... Here are a number of highest rated 2002 Toyota Camry Window Fuse pictures upon internet. We identified it from obedient source. Its submitted by direction in the best field. We consent this nice of 2002 Toyota Camry Window Fuse graphic could possibly be the most trending topic in the same way as we share it in google benefit or facebook. PDF Power Window Wiring Diagram Honda Civic 2001 Honda Civic Power Window Wiring Diagram - thanks for visiting my web site, this article will certainly review regarding 2001 Honda Civic Power Window Wiring Diagram. We have gathered lots of photos, hopefully this picture serves for you, as well as help you in locating the solution you are searching for.

Toyota power window switch wiring diagram. › forms › ToyEWBTOYOTA ELECTRICAL WIRING DIAGRAM - Autoshop 101 UNDERSTANDING TOYOTA WIRING DIAGRAMS WORKSHEET #1 1. Describe the meaning of the "C13" in the diagram component Q. 2. Describe the meaning of the "G-W" in diagram component R. 3. Describe the meaning of the "2" in diagram component S. 4. Describe the meaning of the "S/D" in diagram component T. 5. Describe and identify the diagram component U. 6. PDF Power Window Relay Location Toyota Camry 98 How to fix Toyota Power window Master switch 2000 Toyota Tundra Power Window, Power Lock Fuse Power Window Wiring Diagram 1Toyota Rav4 electric windows and blower motor not working. Fault finding and repair. simple and basic power window 2500hd Silverado Wiring Diagrams - cancanma A wiring diagram is a form of schematic which uses abstract pictorial symbols to demonstrate every one of the interconnections of components in the system. Wiring Diagram comes with a number of easy to adhere to Wiring Diagram Instructions. Download chevrolet 2007 monte carlo owners manual download chevrolet 2007 silverado 2500hd owners manual ... fuse-box.info › gmc › gmc-sierra-mk2/2001/2006-fusesFuse Box Diagram GMC Sierra (mk2; 2001-2006) Gasoline Accessory Power: STUD #1: Accessory Power/Trailer Wiring Feed: ABS: Anti-Lock Brakes: IGN A: Ignition Switch: AIR: A I R System: RAP #1: Retained Accessory Power, Power Mirrors, Power Door Locks, Power Seat(s) IGNB: Ignition Switch: RAP #2: Not Used: STUD #2: Accessory Power/Trailer Wiring Brake Feed: SPARE: Spare Fuse: TRLR TRN: Right ...

PDF 1997 Toyota Cavalier Engine Diagram Chevrolet Cavalier 1995-2005 Wiring Diagram How To Video No Crank, No Start Diagnosis - EricTheCarGuy Watch This BEFORE You Buy a 3rd Gen Chevy Cavalier Z24 (1995-2005) How to test a power window switch/motor (1985-2001 Toyota) Power Window Wiring Diagram 1 Learn About Transmission Synchro Rings Cooling Fans \u0026 Wiring Diagram 1997 1995 Ford Window Wiring Diagram - Window Switch Lighting ... Home » Tanpa Label » 1995 Ford Window Wiring Diagram - Window Switch Lighting Tidbits : That really only leaves a few wires under the dash to worry about. Seller 99.5% positive seller 99.5% positive seller 99.5% positive. PDF Free Toyota Manual Power Window Wiring Switch Recognizing the exaggeration ways to acquire this books free toyota manual power window wiring switch is additionally useful. You have remained in right site to start getting this info. acquire the free toyota manual power window wiring switch associate that we have enough money here and check out the link. You could buy guide free toyota ... PDF Lexus Window Switch Repair Manual MASTER FACTORY RESET SWITCHPower Window Wiring Diagram 1 Power Window Switch Fix \"How To\" How to Diagnose If the Window Switch or If the Motor is Bad Limit Switch Reset Procedure for Nissan, Infiniti, Toyota \u0026 Lexus Anti-Pinch Window Motors How To Test Fix Power Windows Bad Motor or Switch? Car window stuck and won't roll up down.

› drag_racing › power_gridMSD 7730 MSD Power Grid System - Controller Only - Red The Power Grid Ignition System is the next evolution of our Programmable 7-Series Ignition Controls. The Grid incorporates an efficient 32 bit microcontroller and an all new software program, called MSD View, and is USB compatible. The Windows based software is designed with tabs to help racers easily select different programming windows and parameters. Also, the data acquisition files of the ... › suzukiSUZUKI - Car PDF Manual, Wiring Diagram & Fault Codes DTC Looking for a 2011 wiring diagram for the windows have stopped working battery went dead trying to locate the window relay if anybody knows please help me thank you Sports and imports Columbus, GA 706-681-2388 PDF 95 Camry Window Wiring Diagram As this 95 camry window wiring diagram, it ends happening beast one of the favored book 95 camry window wiring diagram collections that we have. This is why you remain in the best website to look the amazing books to have. Power Window Wiring Diagram 1 How to Wire a Power Window Relay Windows \u0026 power locks don't work, FIX. Camry secret fuse. Mr2 Power Window Wiring Diagram - SerenaTravis Oct 11 2021 It is necessary to reset the power window motor in initial position for the limit switch when separating the window regulator from the power window motor or operating the window Reset ecu toyota sequoiaB1056. Volkswagen Golf mk7 2012 2018 fuse box diagram. ... Toyota Power Windows Wiring Diagram 1 Toyota Electrical Diagram ...

POWER WINDOWS – Toyota Sienna 2011 – SYSTEM WIRING DIAGRAMS ...

POWER WINDOWS – Toyota Sienna 2011 – SYSTEM WIRING DIAGRAMS ...

PDF 1991 Taurus Engine Diagrams How to test a power window switch/motor (1985-2001 Toyota)Power Window Wiring Diagram 1 Starting System \u0026 Wiring Diagram Ford Taurus (2010-2019) - Service Manual / Repair Manual - Wiring Diagrams - Owners Manual ?? ONLINE PDF 2008 Ford Edge Under Hood Fuse Box Diagram The Undisputed KING Of The Streets! 1989-1991 Ford Taurus SHO

toyota power windows wiring diagram #1 | Toyota, Electrical ...

toyota power windows wiring diagram #1 | Toyota, Electrical ...

› porschePORSCHE - Car PDF Manual, Wiring Diagram & Fault Codes DTC Looking for a 2011 wiring diagram for the windows have stopped working battery went dead trying to locate the window relay if anybody knows please help me thank you Sports and imports Columbus, GA 706-681-2388

Power Window Relay Wiring : The XJ-S Forum : Jaguar Exp Car ...

Power Window Relay Wiring : The XJ-S Forum : Jaguar Exp Car ...

PDF 95 Camry Window Wiring Diagram How to test a power window switch/motor (1985-2001 Toyota) Easy way to fix Toyota car windows that won't roll down Toyota Camry XV10 (1991-1996) Fuse Box Diagrams How to Replace Window Regulator 92-96 Toyota Camry Camry No Power Windows How to Replace Window Regulator 92-96 Toyota Camry Toyota Camry Wiring Diagrams 1998 to 2016

Power Windows: I Was Doing Some Work on the Plastics Today ...

Power Windows: I Was Doing Some Work on the Plastics Today ...

2019 Toyota Highlander Alarm Wiring 2019 Toyota Highlander Alarm Wiring. Looking for alarm wiring for 2019 Highlander. Specifically looking for door lock/unlock wires, and door pins, trunk pin. Standard Key vehicle, no factory alarm. 12 Volts Black (30A) or Tan (7.5A) + Ignition Switch, white 8 pin plug, pin 4 Second 12 Volts White (5A) + Ignition Switch, white 8 pin plug, pin 5 ...

How To Wire Power Windows To A Toggle Switch! Race Car MOD!

How To Wire Power Windows To A Toggle Switch! Race Car MOD!

PDF Toyota Camry Power Window Wiring Diagram Diagram Power Window Switch Wiring Toyota Full Version Hd Quality Phasediagramh2o Twinfish It. Toyota camry wiring diagrams car and avalon 1997 00 2000 land cruiser window solara 2001 mirror diagram electric troubleshooting 94 power windows 2003 96 escalade air ride tail light 2018 hybrid fuse

Half Manual/Power Window Wiring Diagram | Electrical circuit ...

Half Manual/Power Window Wiring Diagram | Electrical circuit ...

PDF 1997 Toyota Cavalier Engine Diagram light fix How Ignition System Works Serpentine Belt Replacement Chevrolet Cavalier 1995-2005 Wiring Diagram How To Video No Crank, No Start Diagnosis - EricTheCarGuy Watch This BEFORE You Buy a 3rd Gen Chevy Cavalier Z24 (1995-2005) How to test a power window switch/motor (1985-2001 Toyota) Power Window Wiring Diagram 1 Learn About Transmission ...

MODS: Keyless tailgate power window switch... - Toyota ...

MODS: Keyless tailgate power window switch... - Toyota ...

› glossary › window-regulatorPower window regulator, window motor: problems ... - Samarins.com Aug 14, 2021 · With the ignition switch "ON", press switch and fully open the power window. Next, pull up switch to fully close power window and continue holding switch for about 2 seconds after window is fully closed. Repeat the same steps for the front passenger window from the passenger door switch. How the window motor is tested

Chrysler Sebring Questions - Power windows stopped working ...

Chrysler Sebring Questions - Power windows stopped working ...

2021 Toyota Tundra, Alarm/Remote Start Wiring 2021 Toyota Tundra, Alarm/Remote Start Wiring - Hello - Might anyone have a remote start / alarm diagram for a 2021 Toyota Tundra with push button start? Any help would be greatly appreciated. ... Brown (w/o auto up); (with auto up, motor is part of module) A Power Window Master Switch, white 18 pin plug, pins 3 - 4 (w/o auto up) ...

Toyota power mirror wiring diagram | Diagram, Toyota ...

Toyota power mirror wiring diagram | Diagram, Toyota ...

PDF 1997 Toyota Cavalier Engine Diagram cavalier coolant light fix How Ignition System Works Serpentine Belt Replacement Chevrolet Cavalier 1995-2005 Wiring Diagram How To Video No Crank, No Start Diagnosis - EricTheCarGuy Watch This BEFORE You Buy a 3rd Gen Chevy Cavalier Z24 (1995-2005) How to test a power window switch/motor (1985-2001 Toyota) Power Window Wiring Diagram 1 Learn ...

Help interpreting car window wiring diagram - Electrical ...

Help interpreting car window wiring diagram - Electrical ...

Car Power Window Wiring Diagram Pdf - U Wiring Car Power Window Wiring Diagram Pdf. The first car of the mazda was named the mazda go a three wheeled truck introduced in 1931. Diagram of a power window circuit lincoln switch wiring kia rio 2001 nissan sentra 2000 mazda. Half Manual Power Window Wiring Diagram Electrical Circuit Diagram Electrical Diagram Trailer Light Wiring.

2001 Toyota Corolla power window wiring - Automotive Wiring ...

2001 Toyota Corolla power window wiring - Automotive Wiring ...

PDF Power Window Wiring Diagram Honda Civic 2001 Honda Civic Power Window Wiring Diagram - thanks for visiting my web site, this article will certainly review regarding 2001 Honda Civic Power Window Wiring Diagram. We have gathered lots of photos, hopefully this picture serves for you, as well as help you in locating the solution you are searching for.

FJ62 Drivers Power Window (AutoDown) Relay Fix | Page 3 ...

FJ62 Drivers Power Window (AutoDown) Relay Fix | Page 3 ...

2002 Toyota Camry Window Fuse - fuse box diagram toyota ... Here are a number of highest rated 2002 Toyota Camry Window Fuse pictures upon internet. We identified it from obedient source. Its submitted by direction in the best field. We consent this nice of 2002 Toyota Camry Window Fuse graphic could possibly be the most trending topic in the same way as we share it in google benefit or facebook.

Power Window Master Switch Harness Wiring Diagram

Power Window Master Switch Harness Wiring Diagram

Power Window Motor Vs Relay Connection: Swapped 2007 ... Thank you for the detailed insight. Follow up question, to clarify. I swapped all the wiring harness from 07 into the 10. To match all of the connectors and door panel to body harness. Everything works, locks, lamps, speakers except for the power window. The 10 has the 6pin on the door, while the 07 has the two wire/pin.

POWER WINDOWS – Dodge Journey SXT 2012 – SYSTEM WIRING ...

POWER WINDOWS – Dodge Journey SXT 2012 – SYSTEM WIRING ...

Power Window Wiring Diagram 1 - YouTube

Power Window Wiring Diagram 1 - YouTube

GSIC - Global Service Information Center

GSIC - Global Service Information Center

into2046 otomotive: Toyota Hilux Pickup Power Window Control ...

into2046 otomotive: Toyota Hilux Pickup Power Window Control ...

How do I replace the master switch for the power locks and ...

How do I replace the master switch for the power locks and ...

I need the wiring diagram for the pin connector on a drivers ...

I need the wiring diagram for the pin connector on a drivers ...

toyota power windows wiring diagram #1 | Toyota, Electrical ...

toyota power windows wiring diagram #1 | Toyota, Electrical ...

Electric Window Troubleshooting

Electric Window Troubleshooting

How to Replace Power Window Switch 97-01 Toyota Camry

How to Replace Power Window Switch 97-01 Toyota Camry

Toyota Sienna Service Manual: Power Windows do not Operate at ...

Toyota Sienna Service Manual: Power Windows do not Operate at ...

Toyota Corolla Repair Manual: Inspection - Power window ...

Toyota Corolla Repair Manual: Inspection - Power window ...

My master control switch for the power window is not working ...

My master control switch for the power window is not working ...

J/B 1 diagram, power source for Mirror and Windows | Toyota ...

J/B 1 diagram, power source for Mirror and Windows | Toyota ...

POWER WINDOWS – Honda Accord EX 1993 – SYSTEM WIRING DIAGRAMS ...

POWER WINDOWS – Honda Accord EX 1993 – SYSTEM WIRING DIAGRAMS ...

Power Window Master Switch Harness Wiring Diagram

Power Window Master Switch Harness Wiring Diagram

Power Window Wiring Diagram 1

Power Window Wiring Diagram 1

MAZDA - Car PDF Manual, Wiring Diagram & Fault Codes DTC

MAZDA - Car PDF Manual, Wiring Diagram & Fault Codes DTC

Rear window switch - Toyota 4Runner Forum - Largest 4Runner Forum

Rear window switch - Toyota 4Runner Forum - Largest 4Runner Forum

HOW TO: 2012+ Power Window Switches in 2005 - 2011 Trucks ...

HOW TO: 2012+ Power Window Switches in 2005 - 2011 Trucks ...

73-87 window switch | Windows, Trailer wiring diagram ...

73-87 window switch | Windows, Trailer wiring diagram ...

FJ62 Drivers Power Window (AutoDown) Relay Fix | Page 3 ...

FJ62 Drivers Power Window (AutoDown) Relay Fix | Page 3 ...

Rear window switch wiring question - YotaTech Forums

Rear window switch wiring question - YotaTech Forums

GSIC - Global Service Information Center

GSIC - Global Service Information Center

Wiring Diagrams for Diy Car Repairs at YouFixCars.com | Auto ...

Wiring Diagrams for Diy Car Repairs at YouFixCars.com | Auto ...

Power Window Master Switch Harness Wiring Diagram

Power Window Master Switch Harness Wiring Diagram

back window wiring diagram - Hilux Surf & 4Runner forum

back window wiring diagram - Hilux Surf & 4Runner forum

Need help w Window Wiring Digram | Toyota Tacoma Forum

Need help w Window Wiring Digram | Toyota Tacoma Forum

toyota power windows circuit #3 | Power, Windows, Diagram

toyota power windows circuit #3 | Power, Windows, Diagram

Toyota Camry Questions - Rear passenger side window not ...

Toyota Camry Questions - Rear passenger side window not ...

Comments

Popular posts from this blog

40 diagram of a sarcomere

40 iron carbon phase diagram explained

41 huskee lt4200 parts diagram