Skip to main content

41 huskee lt4200 parts diagram

Huskee Riding Lawn Mower - Model 13WJ771S031 | MTD Parts Find parts for your Huskee Riding Lawn Mower Model 13WJ771S031. Parts diagrams and manuals available. Free shipping on parts orders over $45. MTD 13WN77SS031 (LT4200) (2017) Parts Diagram for Deck MTD 13WN77SS031 (LT4200) (2017) Parts Diagram for Deck Please leave us a message! JACKS SMALL ENGINES HAS JOINED THE NORTHERN TOOL FAMILY! Learn More » Order Status Get Support 1-877-737-2787 Hours of Operation M-F 9AM-6PM ET Sat 9AM-5PM ET Contact Us » Name Guest Sign In Sign Up 0 Shopping Cart 3+ Million Parts 365 Day Returns

Parts Lookup and OEM Diagrams | PartsTree Results for "LT4200" (18 Models) Filter Results. Hide. Show. Marketing Brand Huskee. Go. LT 4200 (13AN77SS031) - Huskee Lawn Tractor (2018) LT 4200 (13AN77SS231) - Huskee Lawn Tractor (2019) LT 4200 (13W2771S231) - Huskee Lawn Tractor (2012)

Huskee lt4200 parts diagram

Huskee lt4200 parts diagram

LT 4200 (13WN77SS031) - Huskee Lawn Tractor (2017) Parts ... Repair parts and diagrams for LT 4200 (13WN77SS031) - Huskee Lawn Tractor (2017) Huskee riding mower belt diagram Huskee Riding Mower Belt Diagram. I have a huskee supreme slt trying to change the drive belt but cant find a diagram or video of how to anywhere. If this specific category is your favorite needless to say this is. Loosen the idler pulley rods to remove the old belt and inspect the new belt for installation. Find parts by machine type. Troy bilt riding mower stuck in gear - berlinerzwerge.de There are (254) parts used by this model. it Huskee lt4200 riding lawn mower wont start because its stuck in gear. O. This seems like a problem for Feb 21, 2017 · Even though your Troy-Bilt riding lawnmower is a quality machine, you may still have occasional problems with it.

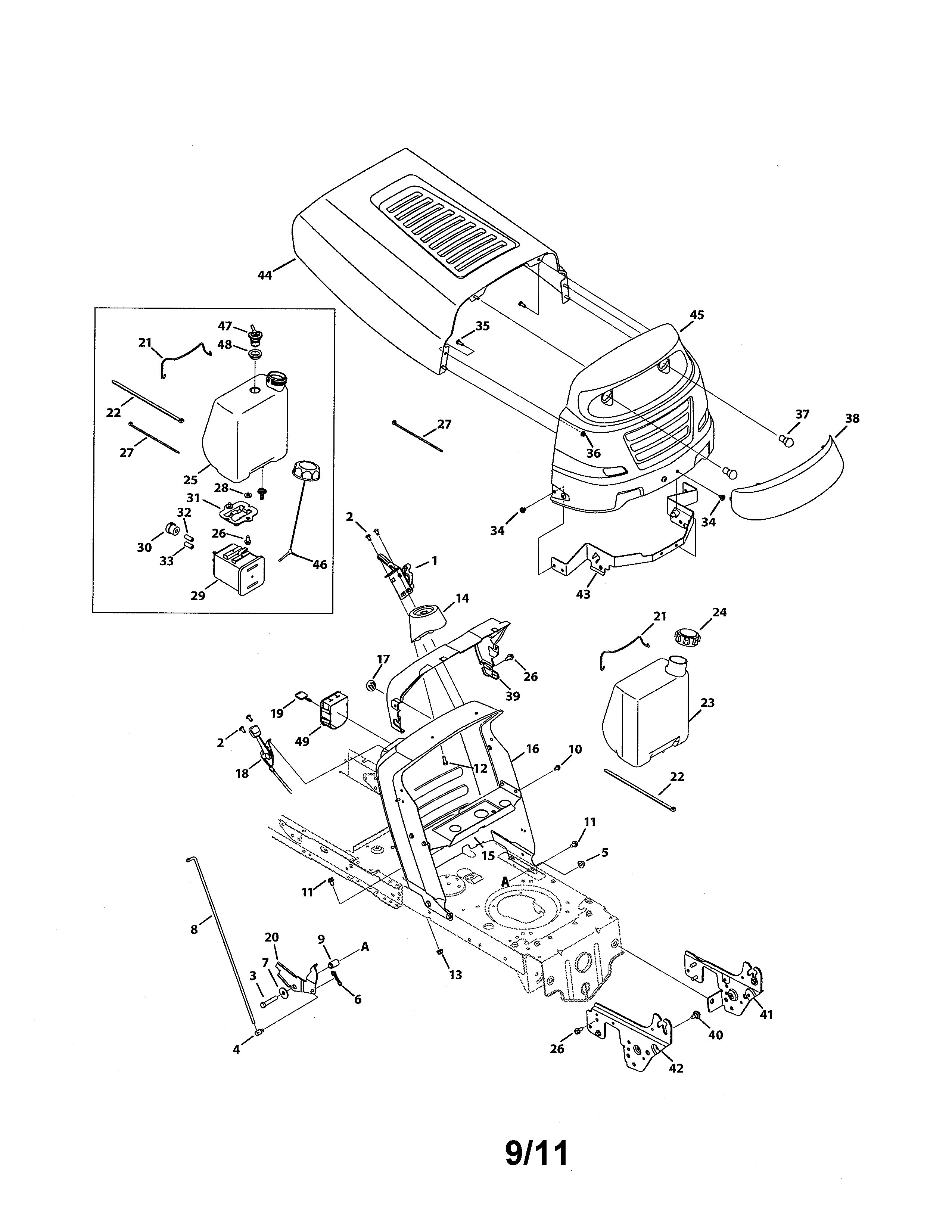
Huskee lt4200 parts diagram. PDF Op e r a t O r s Ma n u a l - Tractor Supply Company Write us at MTD LLC • P.O. Box 361131 • Cleveland, OH • 44136-0019 Thank you for purchasing a lawn tractor manufactured by MTD LLC. It was carefully engineered to provide excellent performance when properly operated and maintained. Please read this entire manual prior to operating the equipment. zeman-dentaltechnik.de Database contains 1 Craftsman Z7400 917. The 54 inch mower deck that comes with this model as standard houses 3 blades. 3, M. 24913, 2-Bin Bagger, 52" Craftsman (2009) Parts Diagram for 2-Bin Bagger Craftsman 247240800 lawn tractor attachment parts Craftsman 24724030 grass catcher attachment parts 1 Cover Screen 4. Get Prices. www. Condition: Used. MTD 13W2775S031 (LT4200) (2014) Parts Diagram for 4P90JUB ... MTD 13W2775S031 (LT4200) (2014) 4P90JUB Carburetor Assembly Parts Diagram SWIPE SWIPE .Quick Reference 4P90JUB Air Intake 4P90JUB Carburetor Assembly 4P90JUB Crankcase 4P90JUB Crankshaft & Crankcase Cover 4P90JUB Cylinder Head 4P90JUB Engine Shroud 4P90JUB Ignition & Electrical 4P90JUB Muffler Assembly 4P90JUB Starter Assembly Huskee LT 4200 (13AN77SS031) - Parts Lookup and OEM Diagrams Deck diagram and repair parts lookup for Huskee LT 4200 (13AN77SS031) - Huskee Lawn Tractor (2018)

| MTD Parts Shop by Parts Diagram; Login; Search Products 1 Results for huskee lt4200 Did you mean: Huskee lt4200. Sort By: Filter 1 Results for huskee lt4200 Did you mean: Huskee lt4200. Close. Apply Reset QuickView Huskee Riding Lawn Mower Model 13W2775S031 ... 13AD771G731 - Parts Lookup and OEM Diagrams | PartsTree 13AD771G731 - Huskee Lawn Tractor (2007) (Tractor Supply) Parts & Diagrams Parts Lists & Diagrams. Lawn Tractor. Recommended Parts Show $ $ $ $ $ $ $ 13AD771G731 - Huskee Lawn Tractor (2007) (Tractor Supply) > Parts Diagrams (9) Hide .Quick Reference 771G. Deck Assembly 42 Inch ... Manuals & Diagrams - MTD Parts Engine Service & Support - Technical, Parts, Manuals and Warranty. 41339 Views • Sep 22, 2017 • FAQ. LT 4200 (13W2775S031) - Huskee Lawn Tractor (2013) Parts ... Repair parts and diagrams for LT 4200 (13W2775S031) - Huskee Lawn Tractor (2013)

13W277SS031 / 2015 Huskee / Husky Lawn Tractor Parts ... The best way to find parts for Huskee / Husky lawn tractor model 13W277SS031 / 2015 is by clicking one of the diagrams below. You can also browse the most common parts for Huskee / Husky lawn tractor model 13W277SS031 / 2015. Not sure what part you need? Narrow your search down by symptom and read the amazing step by step instructions and ... Huskee Riding Mower Drive Belt Diagram - schematron.org on Huskee Riding Mower Drive Belt Diagram. Shop our selection of Huskee, Belts in the Outdoors Department at The Home Depot. MTD Genuine Factory Parts Drive Belt for MTD Lawn Tractors, and. Displaying Drive & Transmission parts for the MTD 13AFG - Huskee Lawn Mowers: Lawn & Garden Tractor . Lower Drive Belt Shift Lever Assembly. Shop Huskee Parts | MTD Parts Find Parts by Diagram Find all the genuine replacement parts for Huskee on our Parts Diagram. We carry everything for your machine and the Parts Diagram helps visualize every component found in your equipment. Give it a try and if you can't find what you are looking for or need assistance installing the new part, call 1-800-269-6215 today. Huskee Riding Lawn Mower - Model 13W2775S031 | MTD Parts Find parts for your Huskee Riding Lawn Mower Model 13W2775S031. Parts diagrams and manuals available. Free shipping on parts orders over $45.

MTD 13A0785T055 front-engine lawn tractor parts | Sears ...

MTD 13A0785T055 front-engine lawn tractor parts | Sears ...

Huskee lt4200 oil type - engineoiil-capacity.com Huskee Lt4200 Manual. February 13, 2018 Tractor Data Manuals 0. Huskee; Previous. Cub Cadet Lt 1050 Manual. Next. John Deere 14sb Manual. Search for: Tractors By Type. Farm Tractors (11,935) Industrial tractors (598) Lawn tractors (1,442) Manuals (98) Massey Ferguson 135 (8) Tractor Review (1) Tractor Serial Numbers (55) Tutorials (1 ...

Huskee Lt4200 Parts Manual Hotsell, 56% OFF | www.alucansa.com

Huskee Lt4200 Parts Manual Hotsell, 56% OFF | www.alucansa.com

MTD 13W2775S031 (LT4200) (2012) Parts Diagram for 4P90JU ... MTD 13W2775S031 (LT4200) (2012) 4P90JU Starter Assembly Exploded View parts lookup by model. Complete exploded views of all the major manufacturers. It is EASY and FREE

Huskee LT 4200 (13AN77SS231) - Huskee Lawn Tractor (2018 ...

Huskee LT 4200 (13AN77SS231) - Huskee Lawn Tractor (2018 ...

MTD 13W2775S031 (LT4200) (2012) Parts Diagram for Mower ... MTD 13W2775S031 (LT4200) (2012) Mower Deck 42-Inch Parts Diagram SWIPE SWIPE .Quick Reference 13W2775S 4P90JU Air Intake 4P90JU Carburetor Assembly 4P90JU Crankcase 4P90JU Crankshaft & Crankcase Cover 4P90JU Cylinder Head 4P90JU Engine Shroud 4P90JU Ignition & Electrical 4P90JU Muffler Assembly 4P90JU Starter Assembly Engine Accessories Powermore

Parts for Huskee / Husky 13W2775S031 / 2013: 4P90JUB Muffler ...

Parts for Huskee / Husky 13W2775S031 / 2013: 4P90JUB Muffler ...

Huskee lt4200 drive belt diagram 33 Huskee Lt4200 Drive Belt Diagram. Mtd 13w2775s031 lt4200 2014 mower deck 42 inch exploded view parts lookup by model. It is easy and free. Model 13aj771g031 huskee lt4200 lawn tractor 18 12 hp engine. Ryobi 13W2775S031 LT4200 2012 Exploded View parts lookup by model. Huskee Lt4200 Belt Diagram.

COMPACT STANDON PARTS MANUAL ER36FS600VL ER36FS600VLCA

COMPACT STANDON PARTS MANUAL ER36FS600VL ER36FS600VLCA

Huskee Lt4200 Wiring Diagram - schematron.org on Huskee Lt4200 Wiring Diagram. I need a wiring diagram that shows me how the oil switch is connected. OR - information as to why I would have an oil pressure switch with a. Displaying Wiring Schematic H parts for the MTD LT ( 13WS) - Huskee Lawn Tractor (). Browse all parts by section for this model.

13w2775s031 Online Shop, UP TO 51% OFF | www.apmusicales.com

13w2775s031 Online Shop, UP TO 51% OFF | www.apmusicales.com

Parts Lookup and OEM Diagrams | PartsTree Repair parts lookup and OEM diagrams for outdoor equipment like Toro lawn mowers, Cub Cadet tractors, Husqvarna chainsaws, Echo trimmers, Briggs engines. The Right Parts, Shipped Fast! ... Results for "13w2775s031 lt4200 huskee lawn tractor 2013" (19668 Models) Filter Results Show

LT 4200 (13AN77SS031) - Huskee Lawn Tractor (2019) Parts ...

LT 4200 (13AN77SS031) - Huskee Lawn Tractor (2019) Parts ...

Troy bilt riding mower stuck in gear - berlinerzwerge.de There are (254) parts used by this model. it Huskee lt4200 riding lawn mower wont start because its stuck in gear. O. This seems like a problem for Feb 21, 2017 · Even though your Troy-Bilt riding lawnmower is a quality machine, you may still have occasional problems with it.

INDICATOR 2471-1155 - Doosan | AVSpare.com

INDICATOR 2471-1155 - Doosan | AVSpare.com

Huskee riding mower belt diagram Huskee Riding Mower Belt Diagram. I have a huskee supreme slt trying to change the drive belt but cant find a diagram or video of how to anywhere. If this specific category is your favorite needless to say this is. Loosen the idler pulley rods to remove the old belt and inspect the new belt for installation. Find parts by machine type.

Huskee Lt4200 Parts Manual Hotsell, 56% OFF | www.alucansa.com

Huskee Lt4200 Parts Manual Hotsell, 56% OFF | www.alucansa.com

LT 4200 (13WN77SS031) - Huskee Lawn Tractor (2017) Parts ... Repair parts and diagrams for LT 4200 (13WN77SS031) - Huskee Lawn Tractor (2017)

MTD Lawn tractors 22/46 13AT77KT308 (2014) Frame Spareparts

MTD Lawn tractors 22/46 13AT77KT308 (2014) Frame Spareparts

MTD 13WJ771S031 front-engine lawn tractor parts | Sears ...

MTD 13WJ771S031 front-engine lawn tractor parts | Sears ...

K1211-26310 Kubota PULLEY,TENSION PTO

K1211-26310 Kubota PULLEY,TENSION PTO

Riding Mower 42-inch Deck Belt - Original Equipment Genuine Part (OEM)

Riding Mower 42-inch Deck Belt - Original Equipment Genuine Part (OEM)

Arado 232 B Mach2 -GP004

Arado 232 B Mach2 -GP004

Replacing a riding lawnmower belt (Huskee LT4200) without taking the deck  off.

Replacing a riding lawnmower belt (Huskee LT4200) without taking the deck off.

New Carburetor Huskee LT4200 lawn mower w/ Briggs & Stratton Intek Motor

New Carburetor Huskee LT4200 lawn mower w/ Briggs & Stratton Intek Motor

I have a huskee supreme slt 4200 trying to change the drive ...

I have a huskee supreme slt 4200 trying to change the drive ...

Carburetor For Briggs & Stratton Huskee LT4200 Riding Mower 42

Carburetor For Briggs & Stratton Huskee LT4200 Riding Mower 42" Deck | eBay

LT 4200 (13W2775S031) - Huskee Lawn Tractor (2013) Parts ...

LT 4200 (13W2775S031) - Huskee Lawn Tractor (2013) Parts ...

MK Diamond MK-6036KB Gas Walk-Behind Concrete Saw ...

MK Diamond MK-6036KB Gas Walk-Behind Concrete Saw ...

MTD OR HUSKEE? Where does this spring go? | My Tractor Forum

MTD OR HUSKEE? Where does this spring go? | My Tractor Forum

Murray Deck Parts Canada

Murray Deck Parts Canada

35ZTS - EXCAVATOR BOLT KIT EPC John Deere online

35ZTS - EXCAVATOR BOLT KIT EPC John Deere online

E-EF2 / honda | fig list|JP-CarParts.com

E-EF2 / honda | fig list|JP-CarParts.com

female Archives - Parts - Southeastern Equipment

female Archives - Parts - Southeastern Equipment

Carburetor for Huskee LT4200 Lawn Riding Mower 42

Carburetor for Huskee LT4200 Lawn Riding Mower 42" Deck Carb | eBay

Engine / Fuel tank | Suzuki Carry/Every 4V CARB Parts ...

Engine / Fuel tank | Suzuki Carry/Every 4V CARB Parts ...

need a diagram for the huskee lt 4600 lawn mower | Click ...

need a diagram for the huskee lt 4600 lawn mower | Click ...

Dixon GRIZZLY SE 7234FX - 966516702 (2009-10) Hydraulic Pump ...

Dixon GRIZZLY SE 7234FX - 966516702 (2009-10) Hydraulic Pump ...

VsKfz617 ALKETT MINENRAUMER Mine Clearing Heavy Tank (Plastic ...

VsKfz617 ALKETT MINENRAUMER Mine Clearing Heavy Tank (Plastic ...

instructions - Harley

instructions - Harley

Huskee LT4200 42

Huskee LT4200 42" Mower Deck Parts Kit Spindles Blades Belt FREE Shipping | eBay

Huskee 13AB606H730 (2005) - PartsWarehouse

Huskee 13AB606H730 (2005) - PartsWarehouse

MTD 760 ILLUSTRATED PARTS MANUAL Pdf Download | ManualsLib

MTD 760 ILLUSTRATED PARTS MANUAL Pdf Download | ManualsLib

Huskee Lt4200 Parts Manual Hotsell, 56% OFF | www.alucansa.com

Huskee Lt4200 Parts Manual Hotsell, 56% OFF | www.alucansa.com

KR-1280) - STEIGER COUGAR 1000-SERIES RANGE POWERSHIFT ...

KR-1280) - STEIGER COUGAR 1000-SERIES RANGE POWERSHIFT ...

News

News

Huskee Lt4200 Deck Belt Replacement Online Hotsell, UP TO 63 ...

Huskee Lt4200 Deck Belt Replacement Online Hotsell, UP TO 63 ...

MTD 13AN77SS031 (LT4200) (2018) Engine Accessories

MTD 13AN77SS031 (LT4200) (2018) Engine Accessories

Riding Mower 42-inch Deck Belt - Original Equipment Genuine Part (OEM)

Riding Mower 42-inch Deck Belt - Original Equipment Genuine Part (OEM)

Huskee 13W2775S031 (LT4200) (2012) - PartsWarehouse

Huskee 13W2775S031 (LT4200) (2012) - PartsWarehouse

Comments

Popular posts from this blog

40 iron carbon phase diagram explained

40 diagram of a sarcomere

42 paul klee diagram